和平社区

 找回密码
 注 册

QQ登录

只需一步,快速开始

查看: 2681|回复: 11

[生活求助] 生活用水

[复制链接]
发表于 2013-5-29 10:34:02 | 显示全部楼层 |阅读模式
请问各位坛友:水电站发电后的水可以用作来生活饮用水(自来水)的吗?
发表于 2013-5-29 11:25:03 | 显示全部楼层
当然可以了。只是个能量转变过程而已。。
发表于 2013-5-29 14:21:35 | 显示全部楼层
要看他用的是什么水发电!直接喝当然不行 要自来水厂经过一系列过滤消毒。  发电只是将重力势能和动能转化为电能    跟水质好坏没有关系  
发表于 2013-5-29 15:24:44 | 显示全部楼层
{:soso_e113:}这个要搞清楚一个问题,电是不是水分解出来的{:soso_e120:}
发表于 2013-5-29 16:24:53 | 显示全部楼层
和平县城的自来水就发电后再作自来水用的。
发表于 2013-5-29 22:31:07 | 显示全部楼层
和平山下人 发表于 2013-5-29 16:24
和平县城的自来水就发电后再作自来水用的。

这绝对不是事实!
发表于 2013-5-30 10:02:39 | 显示全部楼层
yao_guai 发表于 2013-5-29 22:31
这绝对不是事实!

我想问你热水丰山嘴发电站用后发电的水是流到哪里去了?
发表于 2013-5-30 22:40:17 | 显示全部楼层
本帖最后由 yao_guai 于 2013-5-30 23:44 编辑
和平山下人 发表于 2013-5-30 10:02
我想问你热水丰山嘴发电站用后发电的水是流到哪里去了?

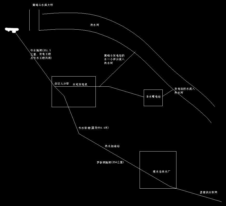
热水丰山嘴水电站发电后的水流到热水街镇附近的田心村的热水河了,然后一直经过热水街镇、热龙温泉、热水下径、合水政合黄石坳、合水老街后与和平河的水汇合一直流经林寨、东水街后汇入东江,然后经河源、惠州、东莞、深圳后入珠江。
和平县城的自来水是从黄峰斗水电站大坝的引水口经过隧洞(此隧洞是发电工程、引水工程同一个隧洞)流到黄峰斗电站厂房后,水一分为二,就象家里的水管分为两个支管,其中绝大部分部分水经过水轮发电机发电,少部分水接入沿热水马径坑的省道沿线的引水管,经过热水加油站附近的罗香洞(地名可能不准),穿过山体隧洞(约4公里)后,然后经过雅水自来水厂后流入县城自来水管网。
QQ截图20130530233216 拷贝.jpg


发表于 2013-5-30 22:57:38 | 显示全部楼层
据我所知,水轮发电机(组)在正常工作状态下,是绝对不会污染水源的。
发表于 2013-6-17 13:32:07 | 显示全部楼层
yao_guai 发表于 2013-5-30 22:40
热水丰山嘴水电站发电后的水流到热水街镇附近的田心村的热水河了,然后一直经过热水街镇、热龙温泉、热水 ...

对{:soso_e121:}
您需要登录后才可以回帖 登录 | 注 册

本版积分规则

站点统计|小黑屋|手机版|Archiver|和平家园 ( 粤ICP备13078947号-1 )

GMT+8, 2025-12-21 08:27 , Processed in 0.044776 second(s), 17 queries .

Powered by Discuz! X3.4 Licensed

© 2001-2023 Discuz! Team.

快速回复 返回顶部 返回列表